MANUAIS DE SERVIÇO DEUTZ FAHR
MANUAIS DE SERVIÇO DEUTZ FAHR está esgotado e será enviado assim que estiver de novo em estoque.
Não foi possível carregar a disponibilidade de recolha
Entrega e Envio
Entrega e Envio
Somente software: instalação remota via TeamViewer
Laptop + Software: Frete grátis para todo o mundo FedEx Express
Descrição
Descrição
Descrição
| Marcas | Deutz Fahr |
| Tipo |
Serviço de manual de reparo. |
| Tamanho total instalado | 2 GB |
| Licença | Ilimitado |
| Linguagem | Inglês , Espanhol, Alemão, Italiano, Francês, Português, etc. |
| SO | Windows 7/10/11 |
| Procedimento | Download da Web e instalação online através do TeamViewer (instalação remota) |
|
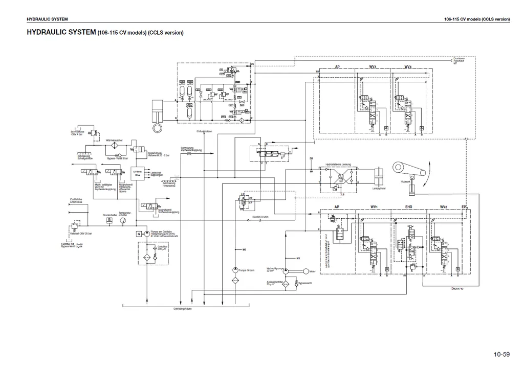
O que é DEUTZ FAHR? MANUAIS DE SERVIÇO DEUTZ FAHR são documentos técnicos que fornecem informações detalhadas sobre a manutenção, reparo, ajustes e operação de tratores e equipamentos agrícolas fabricados pela DEUTZ FAHR. Esses manuais são ferramentas essenciais para proprietários, técnicos e operadores de equipamentos DEUTZ FAHR, pois fornecem instruções precisas e específicas para garantir a operação adequada e a manutenção eficaz do equipamento. Os manuais de oficina, manuais de operação e manutenção e tempos de oficina padrão para tratores Deutz-Fahr estão disponíveis. Esses documentos técnicos fornecem um guia abrangente para manutenção e serviço de tratores Deutz-Fahr, oferecendo instruções detalhadas e informações abrangentes sobre procedimentos de operação e manutenção, bem como prazos padrão para tarefas de oficina. Esses manuais servem como ferramentas essenciais para proprietários, técnicos e operadores de equipamentos Deutz-Fahr, garantindo o funcionamento adequado e a manutenção eficaz do maquinário. Manuais de oficina Você tem alguma dúvida ou preocupação que eu possa abordar para você? Estamos aqui para fornecer informações adicionais e oferecer assistência personalizada. Convidamos você a entrar em contato conosco hoje mesmo, e teremos prazer em atendê-lo com profissionalismo e eficiência. |

Pagamento e Segurança
Métodos de pagamento
Suas informações de pagamento são processadas com segurança. Não armazenamos detalhes do cartão de crédito nem temos acesso às informações do seu cartão de crédito.

















